照明用モーションセンサー
今日、彼ら自身のニーズのための省エネ技術の使用はますます重要になってきています。エネルギーコストを大幅に削減するために、人々は照明にモーションセンサーと呼ばれる特別なデバイスを使用しています。そして、正しい選択をする方法は?そして、これらの製品の操作の目的、原理は何ですか?これについては、後で詳しく説明します。.
コンテンツ
- 便利なデバイスの選択
- 機能原理、機能
- 機能およびカスタマイズツール
- モーションセンサーの利点
- 分類、使用範囲
- モーションセンサーの設置
便利なデバイスの選択
リソースを合理的に使用したい人にとって、モーションセンサーは日常生活で実際に必要な属性です。モーションセンサーを使用すると、消費電力の約50〜80%が節約されるためです。.
モーションセンサーは、どこでも、廊下や、パントリー、階段など、人が短時間滞在する場所や、手が忙しい場合などに適しています。オブジェクトがカバレッジエリアに表示されると、ライトが自動的にオンになり、指定された時間にわたって動きがない場合、ライトはオフになります。ドアを制御する音響装置(ドアベル、ベル)をオンにするために使用される短信号モードを設定することもできます。このシンプルなソリューションは、エネルギーを節約し、快適さを高め、家の安全を確保します。.

街路照明用モーションセンサー
メリットは明らかであるため、多くの人々は照明用のモーションセンサーの購入に熱心ですが、選択するときに使用するパラメーターがわからないだけです。ここで熟考すべきことがいくつかあります。
- 正確にデバイスが使用される場所-それは通り、開いたキャノピー、閉鎖されたスペースにすることができます:固定方法による選択、保護の程度による、組み込みまたは取り付け;
- スイッチ機器の電力。このパラメーターは、センサー設置のイメージを意味します-1つの蛍光灯、魔法瓶、冷蔵室。これらのインジケーター、設置条件、全体の寸法の変化に応じて、異なる容量のモデルがあります-200V以上。
- 応答ゾーンの構成-この段階では、モーションセンサーが可視ゾーンのみを監視する(主な強調点!)ことを考慮することが重要です。たとえば、コーニス、壁取り付け用燭台、ペンダントランプなどの軽い構造物でも範囲が狭くなります。
重要:覚えておく必要があります-ガラスはそれぞれ赤外線の通過を妨げるので、制御領域が減少します.
- オン/オフ応答時間を微調整する機能。この機能は、複数のセンサーが広い領域に設置されているが、完全にはカバーしていない広い部屋に最も関連しています。そのような状況では、人の行動が非常に重要であることがわかります-彼は次のセンサーに到達する時間を持っているか、特定の作業を実行して行動のゾーンに戻る時間を持っている必要があります。
- センサーの知覚角度-製品は180〜360度の視野角で利用できます。たとえば、知覚角度が180度のセンサーは、ほとんどの場合、壁に取り付けられた入出力反応を目的としています。天井に設置する場合、これはデバイスに完全な視野角があることを意味します。
- アクティブゾーンとパッシブゾーンの比率の式は、オフィス、ラウンジに関連するパラメータです。ゾーンの変更が多いほど、出席者の登録が速くなります.
重要:一部のモデルは人間の呼吸用に調整されています.
機能原理、機能
照明用モーションセンサー-さまざまな問題を解決する人気のある便利な製品。このデバイスは赤外線のおかげで機能します:プログラムされた信号がキャプチャされたマトリックスに到達します.
多くの場合、センサーは電気機器と連携して機能し、警報システムやビデオ監視の主要なセンサーにもなります。つまり、モーションセンサーを使用して通路ゾーンのライトを無害にオンにし、住宅の安全を確保します.

照明用モーションセンサー-便利で機能的
センサーは自動的に動きを検出し、回路を閉じてライトをオンにします。動作の主な原理は、観測ゾーンでの継続的な監視です。移動物体が現れると、熱場が変化し、周囲温度よりも高くなります。.
フランケルレンズと呼ばれる特別なレンズを使用して、フォトセルに信号が加えられ、回路が閉じます。コントロールゾーンでは、たとえば座っている人が揺れるなどの小さな動きがあってもセンサーがトリガーされます.
重要:モーションセンサーは独自の方法で構成されています-ペットには反応しませんが、大きな物体(車、人)には優れています。.
そのようなデバイスを購入しても予算にあまり影響はなく、それを使用すると具体的な利便性がもたらされます。人が部屋に入ると、センサーがライトをオンにし、消灯します-ライトは(設定された時間後に)自動的にオフになります。この場合、スイッチを探す必要はありません。たとえば、パントリーなどで、照明を消すのを忘れたかどうかを覚えておく必要があります。.
機能およびカスタマイズツール
ポテンショメータモーションセンサーが構成されています。そのうちの3つがあります。
- 時間間隔-センサーが動作する期間を設定します。値は5秒から10分の間で設定されます(モデルによって異なります)。これはすべての設定の中で最も簡単です。人が検出ゾーンに現れる頻度を評価し、この値(1〜2分)より少し長くライトをオフにするまでの遅延時間を設定する必要があります。これは、一定のオン/オフを回避するために行われます。
- 感度-高いほど、デバイスは動きによく反応します。応答が多い場合は、感度を落とすことが望ましいのですが、自発的なスイッチングも同様です。基本的に、このパラメーターは3回構成されます。また、季節に応じて感度を再設定する必要があります。たとえば、夏はセンサーが正常に動作し、冬は故障が発生します。これは、ヒーターから上昇する暖かい空気に対する反応によるものです。
- 照明レベル-日中のデバイスの正しい操作のため。動きが発生すると、センサーは照度のレベルを決定し、それがしきい値を下回っている場合はデバイスが動作し、高い場合は動作しません。はい、それは非常に論理的です、なぜ午後に部屋の電灯をオンにするのですか.
モーションセンサーの利点
- コンパクトさ-静かに設置され、内部を損傷することはありません。
- ライトは必要なときだけオンになるので、節約は明らかです。
- 民家の所有者にとっての利便性-センサーはポーチ、階段、地下室、パントリーに設置されています。家の中を移動することは非常に実用的です。
- 泥棒からの一種の警報-侵入者が家に侵入すると、ライトが点灯し、見知らぬ人が家にいることを知らせます.
分類、使用範囲
実際、当初、モーションセンサーはセキュリティアラームシステムで動作するように設計されていました。それらはコントロールパネルにアラームを送信しました。製造業者は、投光照明、街路照明、サイレン、および電力設備を含むモデルをさらに開発しました.

庭でモーションセンサーを使用すると、暗闇での移動の安全性が確保されます
モーションセンサーは天井と壁に分かれています。彼らの仕事の原理は同じです、それらは設置場所に応じて、単に個別に選択されます。また、現時点では、センサーを備えた街路灯ポールが景観設計に重要な役割を果たしています。.
人々はお金を節約するために努力する必要があることを理解しているため、街路照明にモーションセンサーを広く使用しています。これらは要件を満たし、多くの機能を実行する必要があります。
- 区画の安全照明(コテージ、庭);
- 家、公園の美的な照明;
- 通りを歩く人の動きの照明.
サポートにインストールされているモーションセンサーは、ホームモデルとは異なります。これらのセンサーは、大きなカバーアングルを特徴としています。アクションの範囲-12メートル.

街路照明は経済的で実用的なソリューションです。人が近づいたときにのみセンサーが照明システムに信号を送信します
赤外線モーションセンサーはアクティブとパッシブです。最初のオプションは家の周囲、フェンスを保護するために使用され、2番目のオプションは、例えばドアへのアプローチ、ゲートのセキュリティなど、広いセクターを保護するための警報システムです。.
モーションセンサーの設置
モーションセンサーのインストールの技術面はそれほど複雑ではありません。しかし、自信がない場合は、このプロセスを専門家に委託することをお勧めします。このデバイスのケーブルは、ジャンクションボックスを介して家の一般配線に接続されます。また、照度の変化に対応するセンサーを追加搭載し、トワイライトスイッチとも呼ばれています。これは、センサーが暗闇でのみ機能するようにするためです。.
多くのモーションセンサーがあり、それぞれが特定のタスクを実行します:プールを照らすために、噴水ポンプを開始します。センサーを設置するときは、部屋の大きさ、窓の位置、ドアを考慮に入れてください。これらのインジケーターはデバイスの正しい動作に影響を与えるためです.
重要:照明用のモーションセンサー回路は、従来のスイッチの動作原理と同様です。どちらの場合も、ランプが直列に接続されている電気回路は閉じているか開いています。.
部屋の動きがないにもかかわらずランプが常に機能している必要がある場合は、モーションセンサーと並列に接続されている回路にスイッチが追加されます。この場合、スイッチはセンサーの操作を複製します。つまり、ライトを強制的に操作できます.

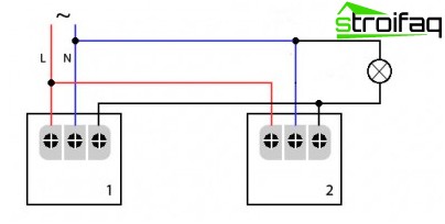
モーションセンサーの接続
部屋の特性により、1つのセンサーがエリア全体をカバーしない場合もあり、その場合は2つのモーションセンサーとランプの接続方式が使用されます。 1つのセンサーがトリガーされると、回路が閉じ、電圧が接点に適用されます.
対象となるモーションセンサーの定格電力は500〜700 Wです。これにより、重負荷での使用が制限されます。.
重要:場合によっては、複数の強力な電球を同時に接続する必要があります(庭を照らす)。次に、磁気スターターを使用するのが最適です。.
今日の照明用モーションセンサーは非常に広く使用されています。ホテル、オフィス、管理棟、教育機関、ジム、駐車場、貿易企業などです。.
モーションセンサーの使用の妥当性は、省エネと便利さおよび実用性に関する議論によって裏付けられています。投資回収期間は、接続されているランプの合計電力値に依存します。しかし、確かに1つ確かなのは、設置直後に壊れる低品質のセンサーの場合、センサーは常に離れていくということです。つまり、低品質の製品を購入するよりも、過剰に支払い、優れたデバイスを手に入れる方が良いです。.
